Radio Make and Model: Cobra 148 GTL-DX (MK2)
PCB Number: PB010AB
PLL Number: MC145106P
Test gear available: Digital Multimeter
Symptoms: Receive audio is quiet and distorted on all modes. There also seems to be quite a lot of noise present.
What is working: TX fine, RX signal fine, all bands work fine.
What has been tried: Replaced 7222 audio ic, both 1000uf caps.
Did it suddenly happen ?: Radio was bought off eBay. Had been wired reverse polarity. RP diode had blown. This has now been replaced.
Anything else that may be of help?: With the volume control set to full the receive audio is still quiet, but the incoming audio seems a little clearer than on a lower setting.
Problems With Receive Audio On MK2 Cobra 148 GTL-DX
Re: Problems With Receive Audio On MK2 Cobra 148 GTL-DX
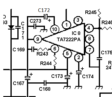
Check or replace C167, 10v @ 330uf for a 16v @ 330uf, do the same with C172, 10v @ 47uf for 16v @ 47uf.
- Attachments
-
- 148 audio.png (11.25 KiB) Viewed 17472 times
How far is it.
Twice it's length from halfway.
Twice it's length from halfway.
Re: Problems With Receive Audio On MK2 Cobra 148 GTL-DX
Thanks. I'll give that a go. The radio was bought off eBay and had been wired r/p. It was only £45 so it's worth spending a little time on
Thanks again.
Thanks again.
Re: Problems With Receive Audio On MK2 Cobra 148 GTL-DX
This chassis (along with most other Cobra and Uniden SSB radios) is notorious for bad 10V electrolytics - for the sake of 10 to 20 dollars / pounds, replace ALL 10V caps with 16V ones of the same uF value.
They are getting so bad here we will not guarantee and work on these unless the owners agree to this - failing to do this will often result in the thing coming back with a different fault than what it came in for in the first place...
Typical symptoms of bad 10V caps include no TX/RX, audio low/squeals/hisses/quiet, meter goes hard over on some modes, stuck on transmit, no or low TX audio, distorted TX - the list goes on.
Enjoy.
They are getting so bad here we will not guarantee and work on these unless the owners agree to this - failing to do this will often result in the thing coming back with a different fault than what it came in for in the first place...
Typical symptoms of bad 10V caps include no TX/RX, audio low/squeals/hisses/quiet, meter goes hard over on some modes, stuck on transmit, no or low TX audio, distorted TX - the list goes on.
Enjoy.
Re: Problems With Receive Audio On MK2 Cobra 148 GTL-DX
Thankyou for all that detailed info. I will change the electrolytic s as soon as I get some 16v replacements.
This is very much appreciated.
This is very much appreciated.
-
Dandan
- Newbie

- Posts: 1
- Joined: Monday 30th May 2011, 1:29
- First Name: Dan
- Location: Coolsner
- Contact:
Re: Problems With Receive Audio On MK2 Cobra 148 GTL-DX
Thanks interesting information +1
It is better for me directly to order essay writing help invisibly, which can produce me with truly drafted prevails, which are stored with amassing definitions and custom quotes.
