Maycom EM-27 flashing channel digits
Maycom EM-27 flashing channel digits
Hi
I'm hoping that someone here has seen and fixed this before...
My previously fine vehicle mounted Maycom EM-27 has stopped working. The displayed symptoms are that the channel number digits now start flashing a few seconds after channel selection, and there is no reception or transmission. Volume, RF Gain & Squelch knobs have no effect, there is no audio from the speaker. The display switches to Tx when the PTT is depressed and other display functions work OK.
I've opened up the case and thought I'd found the problem as one of the speaker wires was frayed at the PCB end and looked as though it might short to the other speaker line. But alas, tidying that up has made no difference.
Has anyone else experienced this failure mode? Does anyone know what the flashing channel digits means? What did you do to fix the radio?
Many thanks
John
I'm hoping that someone here has seen and fixed this before...
My previously fine vehicle mounted Maycom EM-27 has stopped working. The displayed symptoms are that the channel number digits now start flashing a few seconds after channel selection, and there is no reception or transmission. Volume, RF Gain & Squelch knobs have no effect, there is no audio from the speaker. The display switches to Tx when the PTT is depressed and other display functions work OK.
I've opened up the case and thought I'd found the problem as one of the speaker wires was frayed at the PCB end and looked as though it might short to the other speaker line. But alas, tidying that up has made no difference.
Has anyone else experienced this failure mode? Does anyone know what the flashing channel digits means? What did you do to fix the radio?
Many thanks
John
-
absorbentgnome
- Frequent Keyer

- Posts: 83
- Joined: Monday 9th Jul 2007, 23:27
- Location: Cardiff, UK
Hi there intercept
The channel display flashes if the PLL is unlocked. The PLL is at the bottom left corner of the main PCB with the radio facing towards you.
The varicap diodes can sometimes fail causing this, I had a Maycom that would not lock on the lower channels until they were replaced, thanks to some advice from Rick. Its quite a fiddly job, but I still have that radio so I can post a picture if required.
The channel display flashes if the PLL is unlocked. The PLL is at the bottom left corner of the main PCB with the radio facing towards you.
The varicap diodes can sometimes fail causing this, I had a Maycom that would not lock on the lower channels until they were replaced, thanks to some advice from Rick. Its quite a fiddly job, but I still have that radio so I can post a picture if required.
Re: Maycom EM-27 VCO out of lock.
Also check for volts at each side of R102 it should be about 8 volts, I have had R102 go open circuit.
You can test the VCO, by checking the voltage at the junction of R107 and R108 the voltage should go up has you go from channel 1 to 40, if it not check the voltage at the Base of Q100 the voltage should go up has you go from channel 1 to 40.
You can test the VCO, by checking the voltage at the junction of R107 and R108 the voltage should go up has you go from channel 1 to 40, if it not check the voltage at the Base of Q100 the voltage should go up has you go from channel 1 to 40.
Rick.
Thanks Gents, I'd have a look at the levels in the PLL, but it appears to be buried in the waxy goop used to prevent fiddling with the pot-cores. Any tips on how to remove it?
Additionally, what lettering is on the varicaps? I can't see any semiconductors with 251 on them...
Rick - in another thread you were able to supply the appropriate varicaps for this radio. If I need them do you still have stock?
Thanks
John
Additionally, what lettering is on the varicaps? I can't see any semiconductors with 251 on them...
Rick - in another thread you were able to supply the appropriate varicaps for this radio. If I need them do you still have stock?
Thanks
John
- Attachments
-
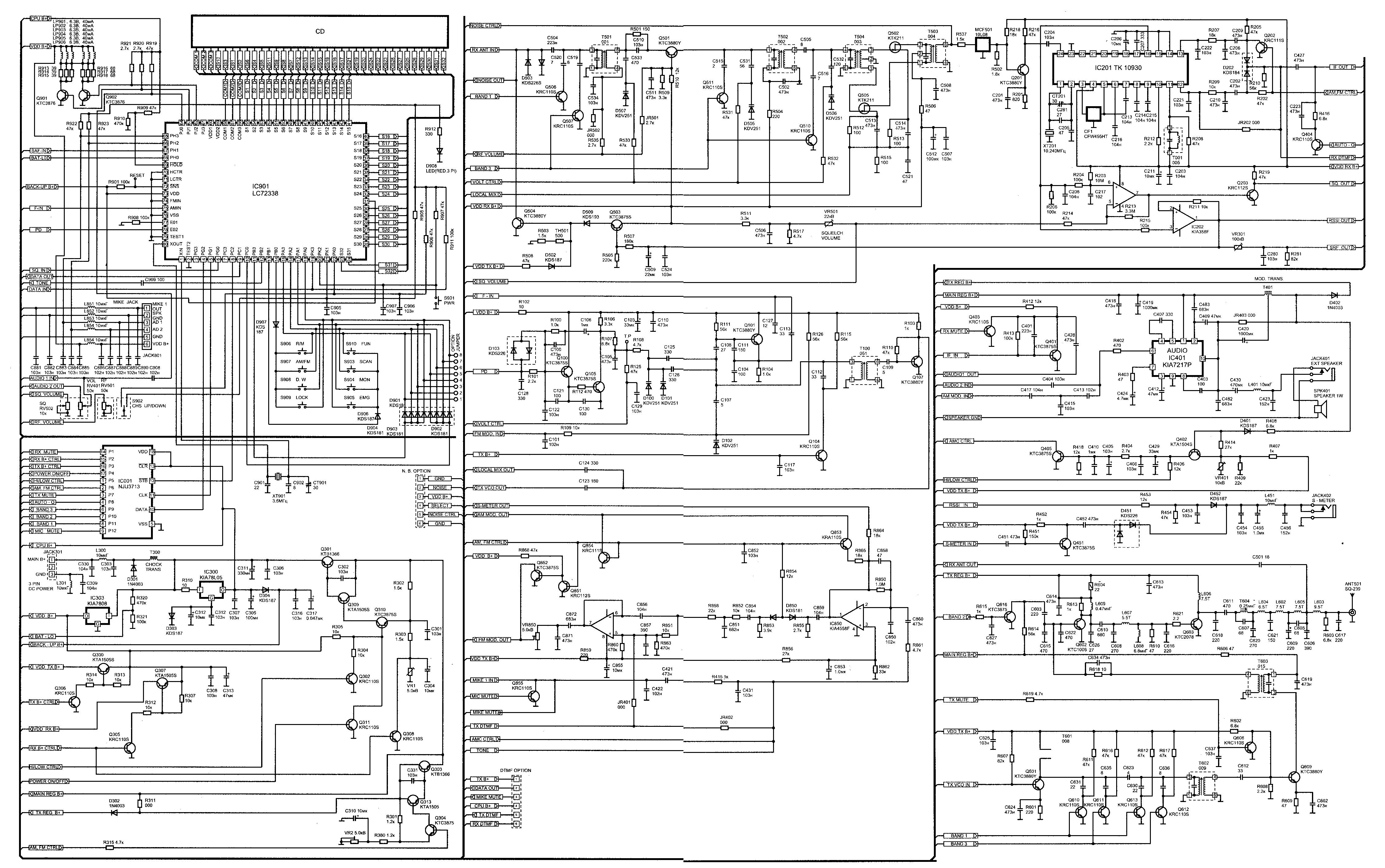
- Maycom EM-27 schematic.JPG
- EM-27 Schematic
- (1.7 MiB) Downloaded 194 times
Goop now removed, the board is as in the new photo.
Does this mean that the varicaps are kippered? If so then Rick - do you have any left?
Thanks
John
TP1 has constant 2.67V regardless of channel selectedYou can test the VCO, by checking the voltage at the junction of R107 and R108 the voltage should go up has you go from channel 1 to 40
The 2nd arrow is where I have tested this (is this the correct point?). I has constant voltage, about 45mV regardless of channel selected.if it not check the voltage at the Base of Q100 the voltage should go up has you go from channel 1 to 40.
R102 measures 9R9, so it looks fine.Also check for volts at each side of R102 it should be about 8 volts, I have had R102 go open circuit.
Does this mean that the varicaps are kippered? If so then Rick - do you have any left?
Thanks
John
- Attachments
-
- Now without goop
- Maycom EM-27 PLL 2.JPG (69.04 KiB) Viewed 19942 times
Re: Maycom EM-27 VCO out of lock.
I will check later today, I may have some lift.
What is the voltage each side of R102?
What is the voltage each side of R102?
Rick.
-
absorbentgnome
- Frequent Keyer

- Posts: 83
- Joined: Monday 9th Jul 2007, 23:27
- Location: Cardiff, UK
Hi Rick, its been a little while! Hope things are ok with you 
Been really busy with new job here so there hasn't been much time for fiddling with radios
John - If you google the varicap part number (KDV251S) that is on the circuit diagram you should be able to get a datasheet for it. It is from a Korean semiconductor company.
edit: here's the link http://www.datasheetcatalog.org/datashe ... 251M_S.pdf
That has the markings on. From what I can remember I think they are marked Q3 - please double check these details though as I am remembering this from about a year ago.
edit: They are certainly marked Q3.
Let Rick help you with the faultfinding process before deciding they're knackered though. Also in the pictures there looks like there is some sort of residue by one of the varicaps, thats not the wax. Check to see if that residue is conductive in any way.
Dan.
Been really busy with new job here so there hasn't been much time for fiddling with radios
John - If you google the varicap part number (KDV251S) that is on the circuit diagram you should be able to get a datasheet for it. It is from a Korean semiconductor company.
edit: here's the link http://www.datasheetcatalog.org/datashe ... 251M_S.pdf
That has the markings on. From what I can remember I think they are marked Q3 - please double check these details though as I am remembering this from about a year ago.
edit: They are certainly marked Q3.
Let Rick help you with the faultfinding process before deciding they're knackered though. Also in the pictures there looks like there is some sort of residue by one of the varicaps, thats not the wax. Check to see if that residue is conductive in any way.
Dan.
Thanks - there are definitely some semiconductors labelled Q3 on the board.
I'd managed to get the datasheet of Rick's preferred Sanyo equivalent (below), but that doesn't give the case markings. I've just scoured the component drawers in the lab at work and found 3 types of varicaps, BB405B, BB505B and BB212. A quick look at their datasheets and a comparison of the capacitance transfer curves suggests that none appear appropriate replacements for the 251.
Cheers
John
I'd managed to get the datasheet of Rick's preferred Sanyo equivalent (below), but that doesn't give the case markings. I've just scoured the component drawers in the lab at work and found 3 types of varicaps, BB405B, BB505B and BB212. A quick look at their datasheets and a comparison of the capacitance transfer curves suggests that none appear appropriate replacements for the 251.
Cheers
John
- Attachments
-
- SVC251 varicap diode datasheet.pdf
- (55.93 KiB) Downloaded 1454 times
-
CodfishCatfish
- Newbie

- Posts: 1
- Joined: Sunday 17th Aug 2008, 12:55
- Location: United Kingdom
1 : Modulation White
2 : Receive Black
3 : Transmit Red
4 : Mic Functions Blue
5 : Ground Braid
6 : 8Vdc Supply Green
if they have shorted they normally take out the 2 x 10mH inductors (green bodied Brown Black Black Silver) soldered to the rear of the display various revisions were soldered in different places but all concentrated around the mic socket.
Also if my memory serves me right check NJU3713 at pin 16 should be 5v when PTT depressed.
